Replacing Bellows?

Archived posts from the 2 Cylinder Hondas Yahoo Group
Post Reply
schoffman07
Posts: 1
Joined: Sat Jul 21, 2018 11:07 am

Replacing Bellows?

Post by schoffman07 »

Hi all! I'm new to the car world and trying my hand at getting a neglected N600 up and running. In cleaning up the carb, I noticed the bellows is in a miserable state. I haven't found any options for replacement. Has anyone found a good alternative?
-Sara
dean m
Posts: 55
Joined: Tue Apr 21, 2009 1:23 pm

Re: Replacing Bellows?

Post by dean m »

look for a carb kit on eBay for a Honda cb750 motorcycle it should have most of the same parts ....cheers dean
--------------------------------------------
On Sat, 7/21/18,
schoffman07@...
[2cylinderhondas] wrote:
Subject: [2cylinderhondas] Replacing Bellows?
To:
2cylinderhondas@yahoogroups.com
Date: Saturday, July 21, 2018, 7:07 PM

Hi all! I'm new to the car world
and trying my hand at getting a neglected N600 up and
running. In cleaning up the carb, I noticed the bellows is
in a miserable state. I haven't found any options for
replacement. Has anyone found a good
alternative?�
-Sara
#yivXXX-XXX-XXXX #yivXXX-XXX-XXXX --
#yivXXX-XXX-XXXXygrp-mkp {
border:1px solid #d8d8d8;font-family:Arial;margin:10px
0;padding:0 10px;}
#yivXXX-XXX-XXXX #yivXXX-XXX-XXXXygrp-mkp hr {
border:1px solid #d8d8d8;}
#yivXXX-XXX-XXXX #yivXXX-XXX-XXXXygrp-mkp #yivXXX-XXX-XXXXhd {
color:#628c2a;font-size:85%;font-weight:700;line-height:122%;margin:10px
0;}
#yivXXX-XXX-XXXX #yivXXX-XXX-XXXXygrp-mkp #yivXXX-XXX-XXXXads {
margin-bottom:10px;}
#yivXXX-XXX-XXXX #yivXXX-XXX-XXXXygrp-mkp .yivXXX-XXX-XXXXad {
padding:0 0;}
#yivXXX-XXX-XXXX #yivXXX-XXX-XXXXygrp-mkp .yivXXX-XXX-XXXXad p {
margin:0;}
#yivXXX-XXX-XXXX #yivXXX-XXX-XXXXygrp-mkp .yivXXX-XXX-XXXXad a {
color:#0000ff;text-decoration:none;}
#yivXXX-XXX-XXXX #yivXXX-XXX-XXXXygrp-sponsor
#yivXXX-XXX-XXXXygrp-lc {
font-family:Arial;}
#yivXXX-XXX-XXXX #yivXXX-XXX-XXXXygrp-sponsor
#yivXXX-XXX-XXXXygrp-lc #yivXXX-XXX-XXXXhd {
margin:10px
0px;font-weight:700;font-size:78%;line-height:122%;}
#yivXXX-XXX-XXXX #yivXXX-XXX-XXXXygrp-sponsor
#yivXXX-XXX-XXXXygrp-lc .yivXXX-XXX-XXXXad {
margin-bottom:10px;padding:0 0;}
#yivXXX-XXX-XXXX #yivXXX-XXX-XXXXactions {
font-family:Verdana;font-size:11px;padding:10px 0;}
#yivXXX-XXX-XXXX #yivXXX-XXX-XXXXactivity {
background-color:#e0ecee;float:left;font-family:Verdana;font-size:10px;padding:10px;}
#yivXXX-XXX-XXXX #yivXXX-XXX-XXXXactivity span {
font-weight:700;}
#yivXXX-XXX-XXXX #yivXXX-XXX-XXXXactivity span:first-child {
text-transform:uppercase;}
#yivXXX-XXX-XXXX #yivXXX-XXX-XXXXactivity span a {
color:#5085b6;text-decoration:none;}
#yivXXX-XXX-XXXX #yivXXX-XXX-XXXXactivity span span {
color:#ff7900;}
#yivXXX-XXX-XXXX #yivXXX-XXX-XXXXactivity span
.yivXXX-XXX-XXXXunderline {
text-decoration:underline;}
#yivXXX-XXX-XXXX .yivXXX-XXX-XXXXattach {
clear:both;display:table;font-family:Arial;font-size:12px;padding:10px
0;width:400px;}
#yivXXX-XXX-XXXX .yivXXX-XXX-XXXXattach div a {
text-decoration:none;}
#yivXXX-XXX-XXXX .yivXXX-XXX-XXXXattach img {
border:none;padding-right:5px;}
#yivXXX-XXX-XXXX .yivXXX-XXX-XXXXattach label {
display:block;margin-bottom:5px;}
#yivXXX-XXX-XXXX .yivXXX-XXX-XXXXattach label a {
text-decoration:none;}
#yivXXX-XXX-XXXX blockquote {
margin:0 0 0 4px;}
#yivXXX-XXX-XXXX .yivXXX-XXX-XXXXbold {
font-family:Arial;font-size:13px;font-weight:700;}
#yivXXX-XXX-XXXX .yivXXX-XXX-XXXXbold a {
text-decoration:none;}
#yivXXX-XXX-XXXX dd.yivXXX-XXX-XXXXlast p a {
font-family:Verdana;font-weight:700;}
#yivXXX-XXX-XXXX dd.yivXXX-XXX-XXXXlast p span {
margin-right:10px;font-family:Verdana;font-weight:700;}
#yivXXX-XXX-XXXX dd.yivXXX-XXX-XXXXlast p
span.yivXXX-XXX-XXXXyshortcuts {
margin-right:0;}
#yivXXX-XXX-XXXX div.yivXXX-XXX-XXXXattach-table div div a {
text-decoration:none;}
#yivXXX-XXX-XXXX div.yivXXX-XXX-XXXXattach-table {
width:400px;}
#yivXXX-XXX-XXXX div.yivXXX-XXX-XXXXfile-title a, #yivXXX-XXX-XXXX
div.yivXXX-XXX-XXXXfile-title a:active, #yivXXX-XXX-XXXX
div.yivXXX-XXX-XXXXfile-title a:hover, #yivXXX-XXX-XXXX
div.yivXXX-XXX-XXXXfile-title a:visited {
text-decoration:none;}
#yivXXX-XXX-XXXX div.yivXXX-XXX-XXXXphoto-title a,
#yivXXX-XXX-XXXX div.yivXXX-XXX-XXXXphoto-title a:active,
#yivXXX-XXX-XXXX div.yivXXX-XXX-XXXXphoto-title a:hover,
#yivXXX-XXX-XXXX div.yivXXX-XXX-XXXXphoto-title a:visited {
text-decoration:none;}
#yivXXX-XXX-XXXX div#yivXXX-XXX-XXXXygrp-mlmsg
#yivXXX-XXX-XXXXygrp-msg p a span.yivXXX-XXX-XXXXyshortcuts {
font-family:Verdana;font-size:10px;font-weight:normal;}
#yivXXX-XXX-XXXX .yivXXX-XXX-XXXXgreen {
color:#628c2a;}
#yivXXX-XXX-XXXX .yivXXX-XXX-XXXXMsoNormal {
margin:0 0 0 0;}
#yivXXX-XXX-XXXX o {
font-size:0;}
#yivXXX-XXX-XXXX #yivXXX-XXX-XXXXphotos div {
float:left;width:72px;}
#yivXXX-XXX-XXXX #yivXXX-XXX-XXXXphotos div div {
border:1px solid
#666666;min-height:62px;overflow:hidden;width:62px;}
#yivXXX-XXX-XXXX #yivXXX-XXX-XXXXphotos div label {
color:#666666;font-size:10px;overflow:hidden;text-align:center;white-space:nowrap;width:64px;}
#yivXXX-XXX-XXXX #yivXXX-XXX-XXXXreco-category {
font-size:77%;}
#yivXXX-XXX-XXXX #yivXXX-XXX-XXXXreco-desc {
font-size:77%;}
#yivXXX-XXX-XXXX .yivXXX-XXX-XXXXreplbq {
margin:4px;}
#yivXXX-XXX-XXXX #yivXXX-XXX-XXXXygrp-actbar div a:first-child {
margin-right:2px;padding-right:5px;}
#yivXXX-XXX-XXXX #yivXXX-XXX-XXXXygrp-mlmsg {
font-size:13px;font-family:Arial, helvetica, clean,
sans-serif;}
#yivXXX-XXX-XXXX #yivXXX-XXX-XXXXygrp-mlmsg table {
font-size:inherit;font:100%;}
#yivXXX-XXX-XXXX #yivXXX-XXX-XXXXygrp-mlmsg select,
#yivXXX-XXX-XXXX input, #yivXXX-XXX-XXXX textarea {
font:99% Arial, Helvetica, clean, sans-serif;}
#yivXXX-XXX-XXXX #yivXXX-XXX-XXXXygrp-mlmsg pre, #yivXXX-XXX-XXXX
code {
font:115% monospace;}
#yivXXX-XXX-XXXX #yivXXX-XXX-XXXXygrp-mlmsg * {
line-height:1.22em;}
#yivXXX-XXX-XXXX #yivXXX-XXX-XXXXygrp-mlmsg #yivXXX-XXX-XXXXlogo {
padding-bottom:10px;}
#yivXXX-XXX-XXXX #yivXXX-XXX-XXXXygrp-msg p a {
font-family:Verdana;}
#yivXXX-XXX-XXXX #yivXXX-XXX-XXXXygrp-msg
p#yivXXX-XXX-XXXXattach-count span {
color:#1E66AE;font-weight:700;}
#yivXXX-XXX-XXXX #yivXXX-XXX-XXXXygrp-reco
#yivXXX-XXX-XXXXreco-head {
color:#ff7900;font-weight:700;}
#yivXXX-XXX-XXXX #yivXXX-XXX-XXXXygrp-reco {
margin-bottom:20px;padding:0px;}
#yivXXX-XXX-XXXX #yivXXX-XXX-XXXXygrp-sponsor #yivXXX-XXX-XXXXov
li a {
font-size:130%;text-decoration:none;}
#yivXXX-XXX-XXXX #yivXXX-XXX-XXXXygrp-sponsor #yivXXX-XXX-XXXXov
li {
font-size:77%;list-style-type:square;padding:6px 0;}
#yivXXX-XXX-XXXX #yivXXX-XXX-XXXXygrp-sponsor #yivXXX-XXX-XXXXov
ul {
margin:0;padding:0 0 0 8px;}
#yivXXX-XXX-XXXX #yivXXX-XXX-XXXXygrp-text {
font-family:Georgia;}
#yivXXX-XXX-XXXX #yivXXX-XXX-XXXXygrp-text p {
margin:0 0 1em 0;}
#yivXXX-XXX-XXXX #yivXXX-XXX-XXXXygrp-text tt {
font-size:120%;}
#yivXXX-XXX-XXXX #yivXXX-XXX-XXXXygrp-vital ul li:last-child {
border-right:none !important;
}
#yivXXX-XXX-XXXX
dusty path
Posts: 47
Joined: Tue Nov 08, 2016 1:41 am

Re: Replacing Bellows?

Post by dusty path »

u may want to get a hold of Michael Oconner   he  will have a set I bet  or maybe Tim mings  or zMiles  they may have that part  but a cb 750 carb is not the same at all  that I know !!!
Virus-free.
www.avg.com

Note: 1 image(s) originally linked in this post are no longer available (ec).
feltonminicycle
Posts: 352
Joined: Mon Apr 14, 2003 2:50 pm

Re: Replacing Bellows?

Post by feltonminicycle »

The bellows is the rubber part between the carb and the airbox. I have several in good condition. Just need to know which carb you have,...steel top/4 screws or aluminum top/2 screws. These get hard as a rock from sitting or when carb backfires and burns a hole in it. $35 for a good used one.
Miles
Bram Evenhuis
Posts: 7
Joined: Fri Mar 12, 2010 6:34 am

Re: Replacing Bellows?

Post by Bram Evenhuis »

What type of carb. are we talking about; on the left side is a nr; like N6D.  Then we can determen what seize you need.
dusty path
Posts: 47
Joined: Tue Nov 08, 2016 1:41 am

Re: Replacing Bellows?

Post by dusty path »

well i was thinking  it was the slide   at the top of the carb my bad all  as the 1971 did not use the same carb  so im  sorry  my bad
On Sunday, July 22, 2018, 9:56:16 PM MST, z600miles@... [2cylinderhondas] wrote:
The bellows is the rubber part between the carb and the airbox. I have several in good condition. Just need to know which carb you have,...steel top/4 screws or aluminum top/2 screws. These get hard as a rock from sitting or when carb backfires and burns a hole in it. $35 for a good used one.
Miles
Bill
Posts: 198
Joined: Sun Apr 09, 2006 9:34 am

Re: Replacing Bellows?

Post by Bill »

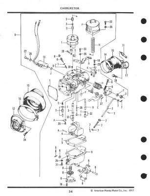
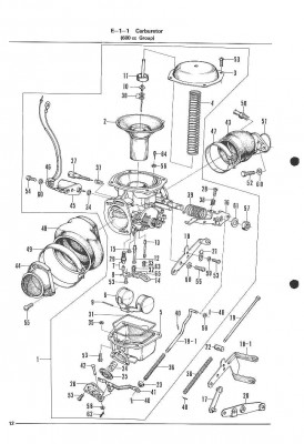
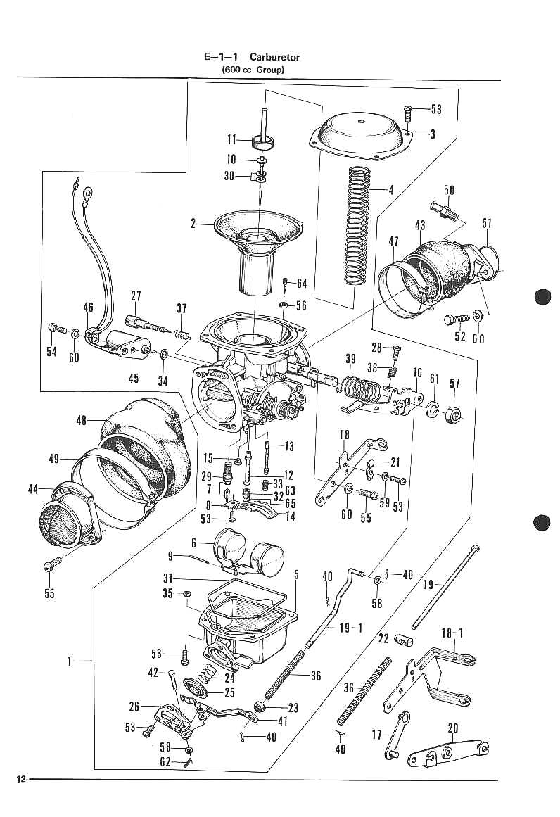
Attached ( 12 and 13 ) is the early carb and bellows #48.   (6 and 7) is the later carb #15.
Bill
Attachments
n2-13-16289.jpg
n2-12-16289.jpg
cpar2-7-16289.jpg
cpar2-6-16289.jpg
Bill
Posts: 198
Joined: Sun Apr 09, 2006 9:34 am

Re: Replacing Bellows? [4 Attachments]

Post by Bill »

And for the N600 Sedan (13 and 14) #33
Attachments
npar2-14-16290.jpg
npar2-13-16290.jpg
Post Reply